350KW全預混低氮冷凝鑄鋁鍋爐

- 700KW全預混低氮冷凝鑄鋁鍋爐
- 全預混低氮冷凝鑄鋁鍋爐是一種節能環保的天然氣供熱設備,熱利用率高達106%(按低位發熱值計算),煙氣排放溫度在70C°以下,同時鍋爐的低氮燃燒技術可有效降低煙氣中NOx排放指標。

- 1050KW全預混低氮冷凝鑄鋁鍋爐
- 全預混鑄鋁冷凝鍋爐是一種高效環保的天然氣熱能設備。其熱利用率高達106%(按低位發熱值計算),而煙氣排放溫度在65C°以下,具有明顯極佳的節能效果;
產品描述:
全預混鑄鋁冷凝鍋爐是一種節能環保的天然氣熱能設備。其熱利用率高達106%(按低位發熱值計算),而煙氣排放溫度在70C°以下,具有明顯極佳的節能效果;同時鍋爐的低氮燃燒技術可以有效降低煙氣中NOx排放指標。其節能、環保、低排放和極高的性價比已被越來越多的業內人士和用戶所認可,是傳統燃氣鍋爐的換代產品。在能源結構調整和大面積霧霾的今天,全預混鑄鋁冷凝鍋爐是解決城市清潔供熱、節能供熱和降低NOx排放的推薦產品。
產品特點:
1.冷凝鍋爐采用全鑄鋁高效冷凝換熱器,其獨特的熱利用原理,充分利用了煙氣中的顯熱和水蒸氣凝結所釋放的汽化潛熱,以提高鍋爐整體熱效率。
2.全鑄鋁高效冷凝鍋爐NOx排放低至22ppm以下,適應低氮(NOx)排放標準,并且具有很高的可靠性和耐腐蝕性。
3.硅鋁合金鑄造而成,此種材料表面具有天然的氧化膜可以有效抵御冷凝水的腐蝕。
4.硅鋁合金鑄造而成,此種材料具有很高的傳熱系數,是不銹鋼的8倍;能夠有效增加鍋爐的傳熱效率。
5.此款產品匹配環保高效燃燒器只需要1個圓柱形燃燒器的同時只需配備1臺風機,降低系統的成本。
6.智能鍋爐控制器配合以天然氣組合比例調節閥和全預混變頻風機,保證俱佳的空燃比,并自動調節鍋爐出力來滿足動態熱負荷,達到更低排放效果。
7.用于商用建筑的采暖措施,為大型商用建筑的采暖功能而設計。
產品優勢:
1.高效:熱效率高達106%;目前國家標準一級能效標準是94%
2.節能:根據熱需求,伺服調整輸入功率,強大的控制系統使每臺鍋爐處在更節能的范圍內運行
3.環保:超低的一氧化碳CO、氮氧化物NOX排放,更加清潔環保,滿足北京市2017年的鍋爐排放標準。
4.安全:按照歐洲安全要求設計,全程監控燃燒狀態,防止一氧化碳超標。
5.可靠:采用歐洲配件,符合歐洲品質。
6.創新:以更小的面積傳遞更大的熱輸入獲得更大的熱輸出
7.低排煙溫度:排煙溫度在50℃-70℃之間,可以采用塑料管材PP(PVC)
8.精確控制溫度:+/-0.5℃的水溫控制
產品系列KNLN-350
|
名稱 |
單位 |
型號/參數 |
|
KNLN-350 |
||
|
額定功率 |
KW |
350 |
|
熱效率(按低位發熱值)* |
% |
106 |
|
額定壓力 |
Mpa |
常壓 |
|
天然氣入口壓力范圍 |
pa |
10000/3000 |
|
額定出口/進口水溫 |
℃ |
85-60 |
|
天然氣耗氣量 |
m³/h |
30 |
|
額定用電量 |
Kwh |
0.5 |
|
比例調節范圍 |
% |
10-100 |
|
煙氣溫度 |
℃ |
<70 |
|
噪音 |
dB(A) |
≤55 |
|
排煙管規格 |
mm |
200 |
|
氮氧化物(Nox)* |
mg/Nm³ |
≤30 |
|
鍋爐總重量 |
Kg |
~340 |
|
供暖面積 |
㎡ |
5000 |
|
*:標準工況 |
外型尺寸圖:

外形圖:

整體產品圖片:

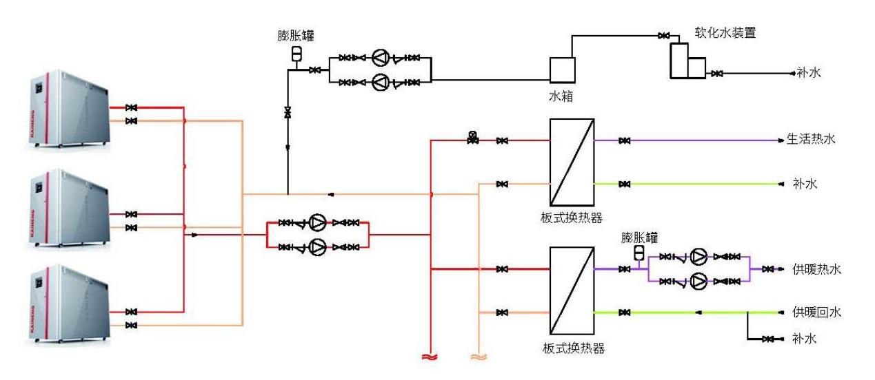
系統流程圖:

?
![]()
青島凱能環保科技股份有限公司位于青島膠州市,是國內專業化生產礦熱爐余熱鍋爐、電廠低溫省煤器、發電機組余熱鍋爐的高新技術企業;公司主要生產制造煙氣余熱鍋爐、低溫省煤器、燃油燃氣鍋爐、針形管、H型鰭片管、船用鍋爐及各類壓力容器等節能環保產品。
公司具有A級鍋爐制造資質,D1、D2級壓力容器設計、制造資質。并已取得法國BV的ISO9001:2015質量管理體系證書、ISO14001:2015環境管理體系認證和
ISO45001:2018職業健康管理體系認證,并已獲得美國ABS、法國BV、挪威DNV、英國LR、德國GL和中國CCS等多家船級社的工廠認可。
公司擁有近20項實用新型專利和發明專利。其中公司的針型鰭片管余熱鍋爐獲山東省重點節能技術、產品和設備推廣目錄、青
島市重點節能技術、產品和設備推廣目錄;針形管余熱鍋爐于2011年獲國家科技部中小企業技術創新基金立項,并已通過驗收和十一五國家科技支撐計劃“沼氣發電熱電聯供成套機組產組產業化與工程示范”。公司于2014年取得“青島市傳熱強化節能能裝備專家工作站”、“企業技術中心”、“工程研究中心”、“山東節能環保示范企業”“青島市專精特新示范企業”等榮譽稱號。
公司20余年專業化生產針形管、H型鰭片管強化換熱元件和余熱鍋爐等節能環保設備,現有職工230余人,其中工程技術人員50余人;公司占地面積約73000m2,各種生產設備300余臺套,其中針形管專用焊接生產線10條,H型鰭片管專用焊接生產線12條,年產針形管強化傳熱元件3600余噸,H型鰭片管強化傳熱元件8500余噸。已生產各類針形管、H型鰭片管余熱鍋爐及各類壓力容器12000余臺套。公司20年一直致力于余熱利用行業,是專業的余熱鍋爐
制造商,余熱鍋爐行業杰出企業。
青島凱能環保科技股份有限公司自主研發針形管強化換熱元件,凱能余熱鍋爐采用針形管強化換熱元件增加換熱面積6-8倍,提高傳熱系數約2倍,從而提高傳熱效率約14倍以上。凱能針形管具有結構緊湊、熱效率高、設備投資少的優點,又具有耐震消音、防止積灰、耐磨損、壽命長,安全可靠的特性。
青島凱能環保科技股份有限公司具有與產品制造相適應的技術力量、完善的工藝裝備和檢測手段,已建立完善的質量保
證體系和生產工藝。依托自身強大的研發團隊,通過對國內外換熱元件的研究,不斷推出各種系列的余熱回收產品,2013年凱能品牌取得“山東省著名商標”“青島市著名商標”等榮譽稱號。
公司與西安交通大學、山東大學、清華大學、大連理工大學、陜西科技大學等高等院校科研院所技術合作,進行“產學研”結合,擁有強大的余熱利用自主設計研發能力。2013年公司與西安交通大學聯合成立“鍋爐傳熱元
件焊接裝備研究所”、“傳熱強化及過程節能裝備研發中心”。
公司可按照相關國家和企業標準,針對客戶要求設計、制造滿足用戶特殊需求的各種針形管、H型鰭片管系列余熱鍋爐產品。
公司成立至今,先后為近百家電廠的1000多臺不同類型燃料的發電機組進行了余熱利用和改造。取得了顯著的節能效果,為客戶帶來了可觀的經濟效益。
公司產品銷往全國30多個省市自治區,與華電、國電、華能、大唐和中電投等五大電力公司以及大慶油田、勝利油田、華北油田、大港油田等建立了密切的合作關系,產品在燃煤電廠、鐵合金、油田、焦化廠、煤礦、燃油燃氣及沼氣站得到了廣泛的應用,并出口俄羅斯、日本、法國、北歐等國家和地區。
![]()
|
青島凱能環保科技股份有限公司 |
| 我要評論: | |
| *內 容: |
(內容最多500個漢字,1000個字符) |
| *驗證碼: | 看不清?! |








魯公網安備 37028102000404號
共有-條評論【我要評論】